��ˮ����վ��ʹ�ô���Һλ�ƽ���ά���ɱ�
��Դ�����ߣ�������ʱ�䣺2018-11-07 09:55:05
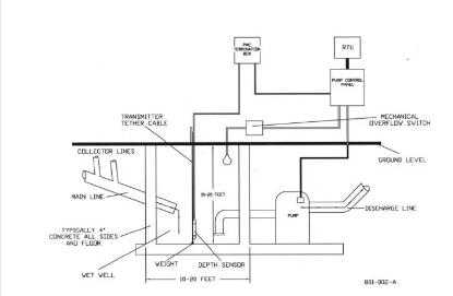
�����г���200�����ˮ����վ���վ�����й�������ѭ��ͬ��ԭ��ͬ����Ŀ���ǽ���ˮ��һ��ˮƽ�ƶ������ߵĺ��Ρ����ǵİ�װ�ɱ�ͨ���������������ԣ���150,000��Ԫ��ÿ����20���أ���150����Ԫ��ÿ����100,000���أ�����Ȼ���������ü����Ѿ��߹��������ĵ�·�������ĵ�Ŀ����רע��һ��С�Ͳ������ò����ڹ�ȥ������Ҳ�õ����ش�չ���ԱõĿ��ƺ���վ�Ŀɿ���������Ҫ�����Ǵ���Һλ�ơ����д���Һλ�Ƽ������Ӳ������ˮ����վ�ĵ���ʾ��ͼ����ͼ��ʾ��

ͼ����ˮ����վ�ĵ���ʾ��ͼ
����Һλ��
����Һλ�Ƶ�Ŀ����Ϊ������ṩ���ں�ʱ�رյĵ練������ͳ�ϣ��Ѿ�ʹ�ø��ӣ�����ڸߺ͵�ˮƽ������ṩ�����źš�������ϵͳҲ�ѱ�ʹ�ã�������������������������Ҫ���������ӵ�ά����ս�����죬��������ڲ���Һλ�Ĵ��������������״�������͵��硣Ȼ������Щ������Լ�����վ��˵�۸�̫�������ڲ������������ɿ������������ѿ�������ûʽ����Һλ���Գ��ܻ����������ṩ�����������ǿ���ƣ�ͬʱ��߳��ڿɿ��ԡ�
����
�����������Ϊ��Ӧ�ÿ�����ר�ô�����������ר����������ܣ��Կ˷���ˮ����վ�����ٵ���ս�����մɲ�����Ԫ��Һλ������

�����������վλ�ڷdz����Ե���ĵط�����˾�����Ҫ�ɿ��ԡ�����Ҫ���и��������ܷ�������ơ���������������ʣ����뱩¶����Ԫ���Ա��������
�������͵���ص�FOG��֬�����ͺ���֬�����ӣ��������Ҳ���Խ��Խ��Ҫ������Һλ�Ƶ�ʹ���ṩ�˼�̵Ŀ���ʽ��������ͬʱ�ܹ�ʵ�ָ���0.1���ĸ߾��ȣ���������Ӣ��ˮ����ˮˮƽ���ü��������ṩ����3�����Χ�ij���ѹ�������ή�ʹ��������ܡ�����Ա���Һλ������������ѹ��ɵ������⺸�ӵ�1Ӣ��ֱ�����ͨ���� 316L������Ƴɣ������ڳ�ˮ���߸�ʴ�Ե������ͨ����ѡ�ѡ�
��һ������ص��ǵ������ӡ���Ҫ���ֵ��������������õ�4-20 mA 2��·��Դ��1-5����ѹ����ijЩ����£��û�ϣ������Һλ�������������ͨ������ͨ��ʵ�֣�������ͨ�ž��������̷�Χ���������ָ����Χ��10������ЩҺλ�ƿ��ṩ������Ԥ�跶Χ������Ӧ�κ���ˮ����վ���ڴ���Σ�����������վ�У�Һλ�ƿ���ͨ��FM���ʰ�ȫ��֤��������I�࣬II���III�ࡣI��A��B��C��D��E��F��G�顣
�����ն�Ҳ����Ҫ�������ṩ�����ϵͳ�ͱõ����ӣ����һ��ṩͨ���ܵ�����ѹ�ij��ڡ������ȷ��Һλ�Ƶ���ȷ����������Ҫ��������ܵ���ѹ�仯��Ӱ�졣���ǣ����뱣���òο�ͨ��������ʪ�����롣�Դ�����༼�����������ն������ʹ�ø����������ǿ�������ij��ڿɿ��ԡ��Ϻ��Զ����DZ��峧������һ���ܷ��Mylar��ǣ�����ά������������ʹ�ø����������Ʒ��
��Ϊ����Һλ�Ƶ�������Խ��ᣬ������ѡ��Һλ�Ʒ��������Ӣ���λ�ã�����ʹ��ˮ���������൱�ձ�ġ��������͵�ˮ��������ʱ����Ϊ“����”�������ڷ�����������£������Ҫ���Դӷ��������Ƴ�������������£�“ ����”�Ƿ���������ɲ��֡�
���ۣ�
���߶����������ƵĴ���Һλ��Ϊ��ˮ����վ�������ṩ�˷dz��ɿ�����ά����Һλ���ͱÿ��ơ���Щ��Һλ����Һλ�Ʋ��ϼ����ˮˮƽ����ͨ����ؿ���ϵͳ�ĸĽ����ṩ������ܺ���ʩ��һ�㽡�������ص���Ϣ��
����Ƽ���
�����Ѷ
- ������Һλ��ʹ��ע������2015-01-08
- �����ṩҺλ������������Ż����������ͷ�2018-04-18
- �ŷ���Һλ�Ƶ�ԭ����ͬ������Һλ�Ʋ�Ʒ2018-08-03
- ú̿����Ͷ��Ƶ�Һλ�����������2018-05-02
- ������Һλ�Ƶ��ֳ������������2014-12-17
- �������͵���չ������֤���״�Һλ�Ƶ��ȶ�2014-04-08
- �����DZ���ҵ����״����λ�Ʋ�Ʒ�г�������2015-08-15
- �ҹ������DZ���ҵ���������չʱ��2015-10-17